https://haida-global.com/

HAIDA HD3300L SERVO INJECTION MOLDING MACHINE

Clamping Force: 33000KN(3300 Tonnage)
Lead time: 180 workdays
Customization: Customized design(Min. order 1 set)
Supply Ability: 500set/month
Packaging Details: Wooden pallet /plastic bag/wooden box
Port: Ningbo Port, Shanghai port

haida HD3300L Servo Injection Molding Machine

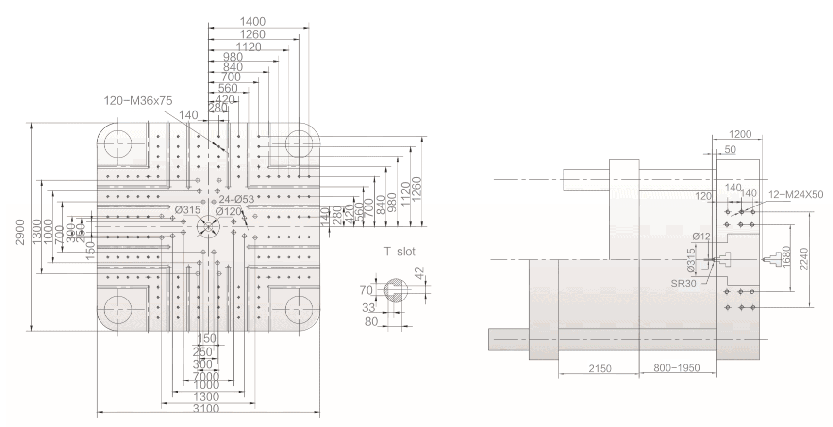
Haida HD3300L injection molding machine offers a screw diameter of 220mm with an L/D ratio of 20. It provides an injection volume of 44095 cm³, a shot weight of 40126g, and an injection pressure of 137 Mpa.

The clamping unit delivers a substantial clamping force of 33000 KN, an opening stroke of 2150mm, and can accommodate mold thicknesses from 800mm to 1950mm. The space between tie-bars measures 2160mm x 1950mm, and it includes a hydraulic ejection force of 814 KN with an ejector stroke of 500mm.

The machine operates on four 60 KW motors, includes 150 KW heaters, and maintains a pump pressure of 16 Mpa. The HD3300L measures 22.0m x 4.2m x 4.0m and weighs 257 tons. It comes with a Φ250mm mould orientation ring and a SR30 radius nozzle.

haida HD3300L Specifications

257000kgs, 22.0×4.2×4.0m

need to check

Four motors power is 60kw*4, heater power is 150kw, total 390kw. Servo motor will save energy according to different products.

But still need to consider other auxliary machines power consumption.

The default voltage of the device is 380v,3p, 50hz, but we can use a transformer to adjust the voltage.

Weekly maintenance

Want to know more about HD3300L IMM

https://haida-global.com/

China Leading injection molding machine manufactuer

  • Yufan East Road #77, Zhenhai, Ningbo, China

Turnkey solutions

  • Packaging Industry
  • Logistic Industry
  • Automobile Industry
  • Commodity Industry
  • Medical Application
©2026 Haida Machinery. All rights reserved.
Privacy Policy
Terms of Service

wechat

whatsapp

Telegram

telegram QR CODE